Projects & Paperwork
3D Printed Ribbon Microphone
Designed completely in Vectorworks 2022. The body and motor mount of the microphone are 3D printed PLA, with a windscreen also 3D printed from flexible medical resin.
Let the Right One In Paperwork Package
University of Cincinnati, College-Conservatory of Music
Directed by Brian Isaac Philips
Scenic Design by Charlie Calvert
October, 2023










Spring Awakening Paperwork Package
University of Cincinnati, College-Conservatory of Music
Directed by Hannah Ryan
Scenic Design by Charlie Calvert
April, 2023







Natasha, Pierre, and the Great Comet of 1812
University of Cincinnati, College-Conservatory of Music
Sound Design: Musicals Project
November, 2022












Natasha, Pierre, and the Great Comet of 1812
Cincinnati College-Conservatory of Music
Sound Design: Musicals Project
November, 2022
Video Walkthrough of Scenic and Sound Elements
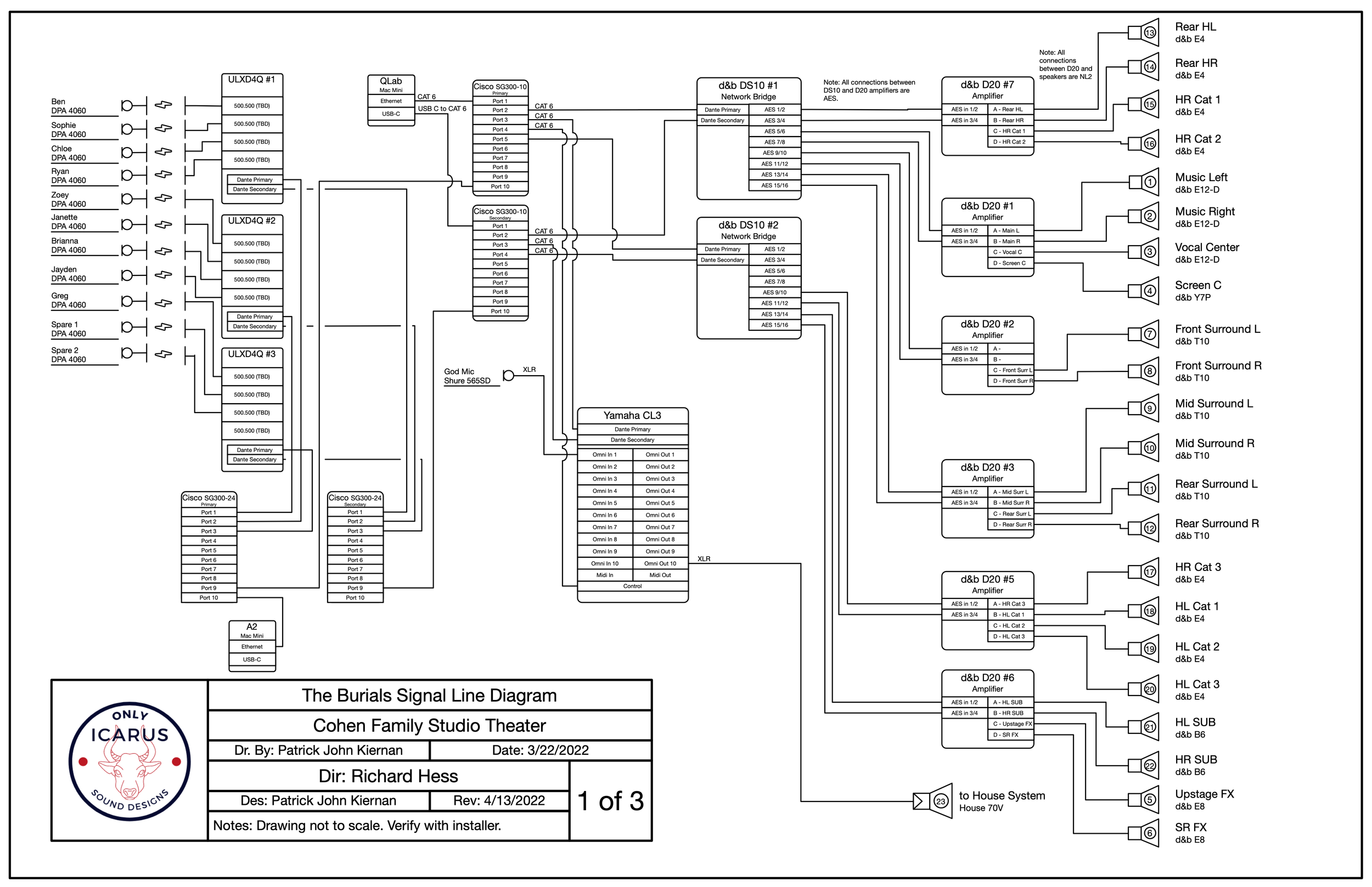
The Burials Signal Line Diagram
Cincinnati College-Conservatory of Music
Directed by Richard Hess
April, 2022
The Burials Speaker Plot
Cincinnati College-Conservatory of Music
Directed by Richard Hess
Scenic Design by Abigail Heyd
April, 2022